您好,欢迎来到无锡亮达机械科技有限公司网站! 客户反馈 | 加入收藏 | 网站地图
15年专注离心风机研发制造 服务热线:133-7621-5308
网站首页 公司简介 产品展示 新闻中心 荣誉资质 客户留言 联系方式
产品分类
负压环保空调风机
离心通风机
高压离心通风机
工业锅炉用风机
耐高温离心通风机
防爆离心通风机
防腐离心通风机
低噪声风机系列
吹膜机专用风机
旋涡气泵
 
产品中心

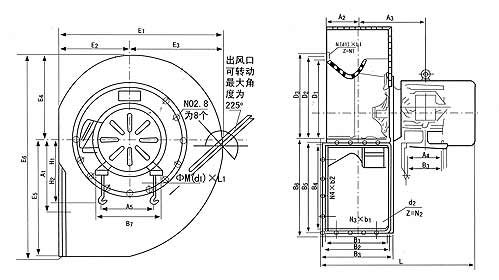
4-72-11系列离心通风机


 4-72型离心通风机适用于工矿厂房,科研机关及大型公共建筑物通风换气,既可用作输入气体,也可以用作输出气体。输送的气体不超过80℃的空气和其他不自燃的,对人体无害的,对钢铁材料无腐蚀性的气体,气体内不允许有粘性物质,所含的尘土及硬质颗粒物质不大于150毫克/立方米。

  B4-72型离心通风机又称防爆离心通风机(以“B”表示)作易燃挥发性气体的通风换气用,输送气体的温度不得超过80度。

  4-72型离心通风即传动方式:A为电机直联传动,C为电机通过轴承箱皮带传动,D为电机通过轴承箱联轴器传动,NO2.8-6采用A式传动,NO8-12采用C、D式传动。

  4-72 No2.8-6A离心通风机的性能选用表









    
 

版权所有 无锡亮达机械科技有限公司 手机:13376215308 刘经理
电话:0510-83301566 地址:无锡市洛社镇马盘村 网站优化:无锡新互动