您好,欢迎来到无锡亮达机械科技有限公司网站!
客户反馈
| 加入收藏 |
网站地图
15年专注离心风机研发制造
服务热线:133-7621-5308
网站首页
公司简介
产品展示
新闻中心
荣誉资质
客户留言
联系方式
1
2
产品分类
负压环保空调风机
离心通风机
高压离心通风机
工业锅炉用风机
耐高温离心通风机
防爆离心通风机
防腐离心通风机
低噪声风机系列
吹膜机专用风机
旋涡气泵
产品中心
DF系列低噪音声风机
DF系列风机,设计先进,工艺精良,具有风量大、体积小、结构紧凑、运转平稳、噪声低且安装维修方便,本系列风机广泛应用于印刷、橡塑、晒图、干燥等机械行业,也可用于饮食、温控、冷却、吹风和通气等各种场合。
DF系列风机可分为立式和卧式两种,可根据客户安装需要定制。
原定出风口角为左右、0°90°180°270°如果有角度不合,可根据用户要求定制
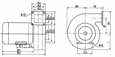
DF风机外形安装尺寸图和性能表
上一页:防腐离心通风机
下一页:5-34、27、32系列离心风机
版权所有 无锡亮达机械科技有限公司 手机:13376215308 刘经理
电话:0510-83301566 地址:无锡市洛社镇马盘村 网站优化:无锡新互动